产品视频
咨询品牌销售工程师
周婕
咨询热线:199-7490-8999
微信:
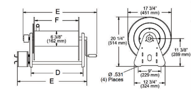
E 33系列
1.E33系列为优质手摇/电机驱动型卷管器,与传统手摇式卷管器相比,具备更坚固、更小巧优点。
2.具有大储存容量优势,最长软管收卷量可达99米。
3.全螺栓组合式结构、全流量旋转接头、重型钢架及轮载、卷盘加强筋设计都确保卷盘最长使用寿命。
4.E33系列紧固件具备防振、自锁功能,适应工业或户外车载使用。
2.具有大储存容量优势,最长软管收卷量可达99米。
3.全螺栓组合式结构、全流量旋转接头、重型钢架及轮载、卷盘加强筋设计都确保卷盘最长使用寿命。
4.E33系列紧固件具备防振、自锁功能,适应工业或户外车载使用。




